Địa chỉ
72 - 74 Phạm Hữu Chí, Phường 12, Quận 5, Tp.Hồ Chí Minh
Hỗ trợ nhanh
+842838547570
Email liên hệ
chkimthanh72@gmail.com
Không có sản phẩm nào trong giỏ hàng
Ắc quy - Nhớt - Phụ gia
37 Sản phẩm
Honda
7459 Sản phẩm
Piaggio
145 Sản phẩm
Suzuki
133 Sản phẩm
SYM
448 Sản phẩm
Yamaha
5390 Sản phẩm
SKU: 42650K3AV00ZA
2.040.000 vnđ
SKU: 53215K56V00ZC
80.000 vnđ
SKU: 42650K1FV01ZB
1.980.000 vnđ
SKU: 61110K1GV00ZB
200.000 vnđ
SKU: 61110K1FV00ZC
SKU: 61110K66V00ZR
205.000 vnđ
SKU: 80102K0RV00
55.000 vnđ
SKU: 64322K0RV00ZC
165.000 vnđ
SKU: 83500K0SV00ZD
655.000 vnđ
SKU: 53208K0RV00ZA
135.000 vnđ
Ắc quy xe máy
Dầu nhớt xe máy
Dung dịch làm mát
Motul
Shell
@ (A Còng)
@Stream
Air Blade
Click - Vario
Dream - Wave
Dylan
Lead
PCX
Scoopy
SCR
SH
Spacy
Vision
Winner - Sonic
Fly
Liberty
Vespa LX
Vespa Primavera
Zip
Hayate
Raider
Sapphire
Satria
Viva
Attila
Enjoy
Excel 2
Joyride
Shark
Venus
Acruzo
Cuxi
Exciter
Freego
Janus
Jupiter
Mio
Nouvo
Nozza - Grande
NVX
Sirius
Taurus
Ya Z
Danh mục: Yamaha / Mio
Chọn loại xe
4P8 – Khung xe
4P8 – Ốp thân sau
4P8 – Ốp thân trước
4P8 – Phuộc sau
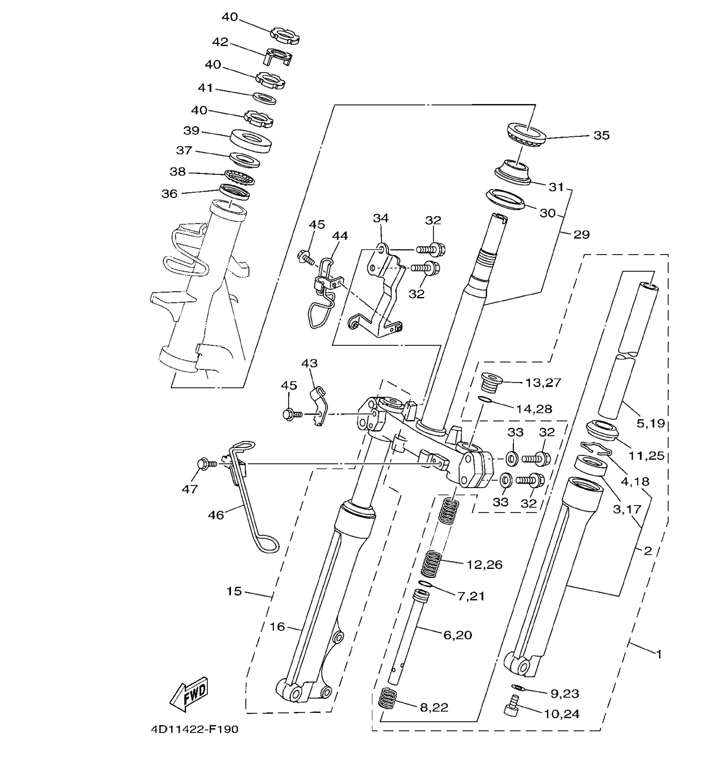
4P8 – Phuộc trước đĩa, Chẳng 3
4P8 – Phuộc trước đùm
4P8 – Qua lăn , Cuộn lửa
4P8 – Yên , Cản
5WP – Bình xăng con
5WP – Bộ bánh sau
5WP – Bộ bánh trước
5WP – Bộ bơm nhớt
5WP – Bộ chống gác chân
5WP – Bộ cùm công tắc
5WP – Bộ đầu
5WP – Bộ đầu nòng
5WP – Bộ đề
5WP – Bộ dên
5WP – Bộ lọc gió
5WP – Bộ nắp nồi